MAX32670-LR-ARDZ

Long Range Wireless Radio Development Platform for Asset Management Applications

Overview

The MAX32670-LR-ARDZ base board features the MAX32670 high-reliability, ultralow power microcontroller based on Arm Cortex-M4 processor, and the LR1110 long range RF transceiver module. The integrated RF transceiver supports a frequency range from 800 MHz up to 960 MHz, making it suitable for high-performance flexible platforms that wirelessly transmit encrypted data at long-range; enabling a wide range of IoT applications using ADI sensing solutions.

This solution also utilizes Semtech’s Long Range Cloud™ Geolocation capabilities to significantly reduce power consumption by determining asset location in a cloud-based solver. Due to its low power consumption, this module is ideal for devices running on small-sized batteries The on-board MAX32670 Arm Cortex®-M4 32-bit microcontroller provides the platform with complete capability to run entire RF stacks and user applications.

https://media.githubusercontent.com/media/plescaevelyn/adi-documentation/applied_sys_ctrl_ws/docs/solutions/reference-designs/ad-max32lrwise-sl/max32670-lr-ardz/max32670-lr-ardz_base_board.png

Features

MCU

Arm Cortex-M4 Core with FPU up to 100 MHz

384 kB Flash Memory with Error Correction

160 kB SRAM (128 kB with ECC Enabled), optionally preserved in lowest power modes

Compatible RTC resolution for long range radio application for protocol timeout management

Security

Available Secure Boot

Support cryptographic algorithms, including AES-128/192/256

Power

Ultralow Power Real Time Clock with Integrated Power Switch

With 300 nA power consumption during sleep mode

Multi-Purpose Radio Front-End Targeting Geolocation Purposes

GNSS (GPS/BeiDou) low-power scanning

802.11b/g/n Wi-Fi ultralow power passive scanning

Long Range Radio

Support FSK, GFSK, MSK, GMSK, and Long Range FHSS modulations

Power Output: +15 dBm transmit peak power

Programmable bit rate up to 62.5 kbps and 300 kbps

Support sub-GHz ISM bands from 800 MHz to 960 MHz

High sensitivity: down to -148 dBm

Applications

  • Asset location

  • Asset recovery

  • Asset traceability

  • Inventory management

  • Asset loss and theft prevention

System Architecture

https://media.githubusercontent.com/media/plescaevelyn/adi-documentation/applied_sys_ctrl_ws/docs/solutions/reference-designs/ad-max32lrwise-sl/max32670-lr-ardz/max32670-lr-ardz_block_diagram.png

Hardware Design

In order to use this base board, all hardware settings such as the hardware peripheral connections, jumpers and UART switch configurations, power configurations, connectivity options, and the USB connectors and programming connections are provided in this page. Links to the schematics and the layout files are also available below.

Components and Connections

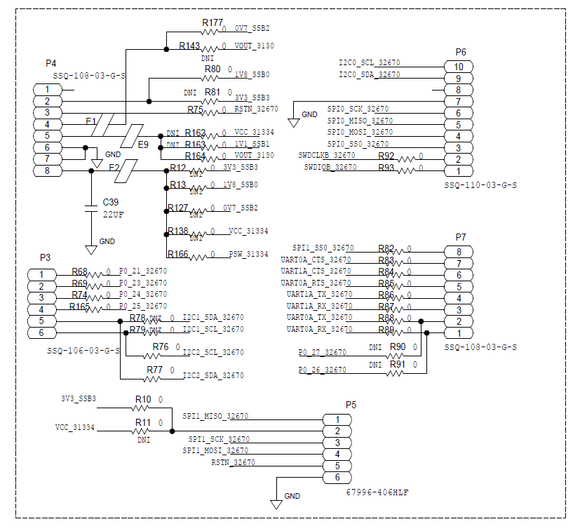
Peripheral Connectors

The following standard connectors are provided on the base board for customer to use with external add-on modules:

https://media.githubusercontent.com/media/plescaevelyn/adi-documentation/applied_sys_ctrl_ws/docs/solutions/reference-designs/ad-max32lrwise-sl/max32670-lr-ardz/max32670-lr-ardz_base_board_peripherals_connector.png

Connector Name

Function

DC Power Connector Header

Input range from +4 V to +6 V DC supply voltage

Battery Holder

Battery holder for CR123A

Cortex SWD Header

Used for flash programming and debug interface; also, provides a virtual serial port connection to MAX32670 microcontroller

PMOD_SPI

12-pin SPI PMOD connector

PMOD_I2C

8-pin I2C PMOD connector

ESP32 Connector

ESP32 Devkit V1 connector

Arduino Connectors

Arduino Uno Rev3 compatible connectors

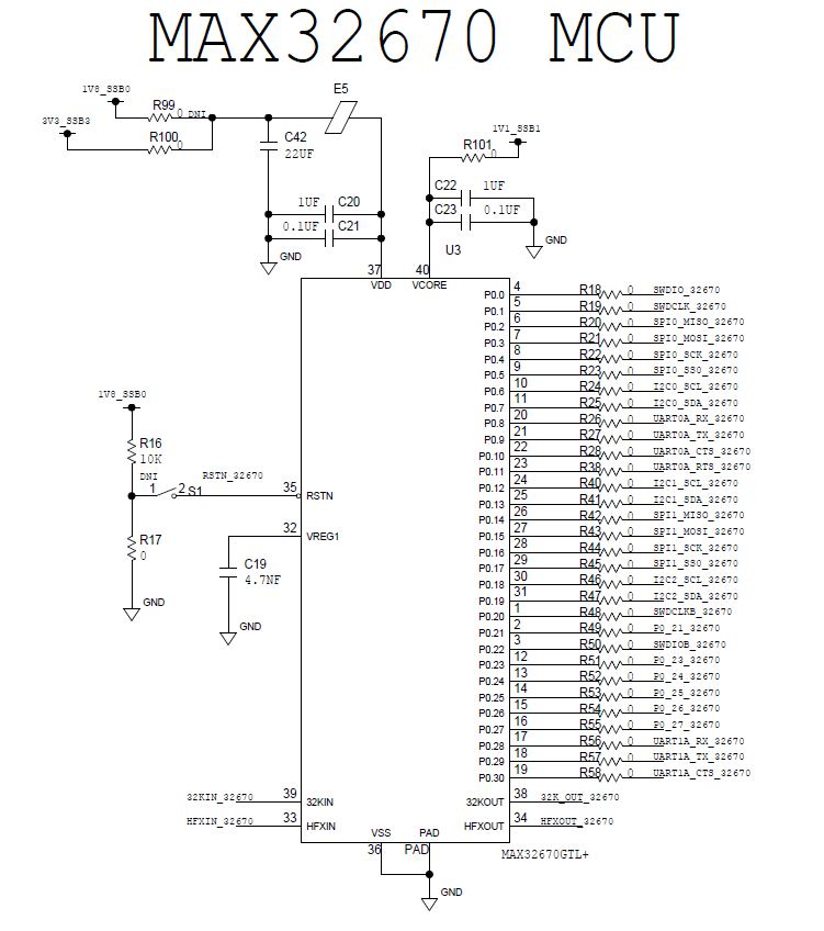
MAX32670 MCU Pin Map

The pin map for the MAX32670 MCU is described in the table and its schematic diagram below.

Net Name

Pin

Name

UART

UART0A_RX_32670

20

P0.8

P0.8/UART0A_RX/I2S0_SDO/TMR0B_I

UART0A_TX_32670

21

P0.9

P0.9/UART0A_TX/I2S0_WS/TMR0B_O

UART0A_CTS_32670

22

P0.10

P0.10/UART0A_CTS/I2S0_SCK/TMR1B_I/DIV_CLK_OUTB

UART0A_RTS_32670

23

P0.11

P0.11/UART0A_RTS/I2S0_SDI/TMR1B_O

UART1A_RX_32670

17

P0.28

P0.28/UART1A_RX/TMR2D_I

UART1A_TX_32670

18

P0.29

P0.29/UART1A_TX/TMR2D_O

UART1A_CTS_32670

19

P0.30

P0.30/UART1A_CTS/TMR3D_I

SPI

SPI0_MISO_32670

6

P0.2

P0.2/SPI0_MISO/UART1B_RX/TMR1A_I

SPI0_MOSI_32670

7

P0.3

P0.3/SPI0_MOSI/UART1B_TX/TMR1A_O

SPI0_SCK_32670

8

P0.4

P0.4/SPI0_SCK/UART1B_CTS/TMR2A_I

SPI0_SS0_32670

9

P0.5

P0.5/SPI0_SS0/UART1B_RTS/TMR2A_O/DIV_CLK_OUTA

SPI1_MISO_32670

26

P0.14

P0.14/SPI1_MISO/UART2B_RX/TMR3B_I

SPI1_MOSI_32670

27

P0.15

P0.15/SPI1_MOSI/UART2B_TX/TMR3B_O

SPI1_SCK_32670

28

P0.16

P0.16/SPI1_SCK/UART2B_CTS/TMR0C_I

SPI1_SS0_32670

29

P0.17

P0.17/SPI1_SS0/UART2B_RTS/TMR0C_O

I2C

I2C0_SCL_32670

10

P0.6

P0.6/I2C0_SCL/LPTMR0_I/TMR3A_I

I2C0_SDA_32670

11

P0.7

P0.7/I2C0_SDA/LPTMR0_O/TMR3A_O

I2C1_SCL_32670

24

P0.12

P0.12/I2C1_SCL/EXT_CLK2/TMR2B_I/EXT_CLK1

I2C1_SDA_32670

25

P0.13

P0.13/I2C1_SDA/32KCAL/TMR2B_O/SPI1_SS0

I2C2_SCL_32670

30

P0.18

P0.18/I2C2_SCL/TMR1C_I

I2C2_SDA_32670

31

P0.19

P0.19/I2C2_SDA/TMR1C_O

JTAG

SWDIO_32670

4

P0.0

P0.0/SWDIO/TMR0A_I

SWDCLK_32670

5

P0.1

P0.1/SWDCLK/TMR0A_O

SWDCLKB_32670

1

P0.20

P0.20/CM4_RX/TMR2C_I/SWDCLKB

SWDIOB_32670

3

P0.22

P0.22/LPTMR1_I/TMR3C_I/SWDIOB

GPIO

P0_21_32670

2

P0.21

P0.21/CM4_TX/TMR2C_O

P0_23_32670

12

P0.23

P0.23/LPTMR1_O/TMR3C_O

P0_24_32670

13

P0.24

P0.24/LPUART0_CTS/UART0B_RX/TMR0D_I

P0_25_32670

14

P0.25

P0.25/LPUART0_RTS/UART0B_TX/TMR0D_O

P0_26_32670

15

P0.26

P0.26/LPUART0_RX/UART0B_CTS/TMR1D_I

P0_27_32670

16

P0.27

P0.27/LPUART0_TX/UART0B_RTS/TMR1D_O

RSTN_32670

35

RSTN

RSTN

https://media.githubusercontent.com/media/plescaevelyn/adi-documentation/applied_sys_ctrl_ws/docs/solutions/reference-designs/ad-max32lrwise-sl/max32670-lr-ardz/max32670_mcu_pin_map.png
ESP32 Connector Pin Map

All connector pinouts for the ESP32 Development Board are described in the table and its schematic diagram below.

Pin Name

Pin Number

Pin Description

EN

1

P0_27_32670

GPIO

2

P0_21_32670

GPIO

3

P0_23_32670

GPIO

4

P0_24_32670

GPIO

5

P0_25_32670

GPIO

6

P0_26_32670

GPIO

7

I2C2_SDA_32670

GPIO

8

I2C1_SCL_32670

GPIO

9

I2C1_SDA_32670

GPIO

10

I2C2_SCL_32670

HSPI CLK

11

SPI0_SCK_32670

HSPI MISO

12

SPI0_MISO_32670

HSPI MOSI

13

SPI0_MOSI_32670

GPIO

14

GPIO

15

GPIO

16

GND

17

GND

VIN

18

VOUT_3130(def)/VCC_31334

VSPI MOSI

1

SPI1_MOSI_32670

I2C SCL

2

I2C0_SCL_32670

UART 0 TX

3

UART0A_TX_32670

UART 0 RX

4

UART0A_RX_32670

I2C SDA

5

I2C0_SDA_32670

VSPI MISO

6

SPI1_MISO_32670

VSPI CLK

7

SPI1_SCK_32670

VSPI CS0

8

SPI1_SS0_32670

UART 2 TX

9

UART1A_TX_32670

UART 2 RX

10

UART1A_RX_32670

RTC

11

UART0A_CTS_32670

RTC

12

UART0A_RTS_32670

RTC

13

SPI0_SS0_32670

RTC

14

UART1A_CTS_32670

SDI

15

SDO

16

SCK

17

3V3

18

VOUT_3130

https://media.githubusercontent.com/media/plescaevelyn/adi-documentation/applied_sys_ctrl_ws/docs/solutions/reference-designs/ad-max32lrwise-sl/max32670-lr-ardz/max32670_esp32_connectors_pin_map.png
Arduino Connector Pin Map

Net Name

Pin Number

Pin Name

Description

P4

1

NC

1V8_SSB0/3V3_SSB3(def)

2

IOREF

POW

RSTN_32670

3

RESET

AVR/POW

VOUT_3130

4

3.3V

POW

5

5V

POW

6

GND

POW

7

GND

POW

1V8_SSB0/0V7_SSB2/ 3V3_SSB3(def)/VCC_31334

8

VIN

POW

P3

P0_21_32670

1

A0/PC0

AVR/DIG/ANA

P0_23_32670

2

A1/PC1

AVR/DIG/ANA

P0_24_32670

3

A2/PC2

AVR/DIG/ANA

P0_25_32670

4

A3/PC3

AVR/DIG/ANA

I2C1_SDA_32 670(def)/I2C2_SDA_32670

5

A4/PC4/SDA

AVR/DIG/ANA/I2C

I2C1_SCL_32 670(def)/I2C2_SCL_32670

6

A5/PC5/SCL

AVR/DIG/ANA/I2C

P6

I2C0_SCL_32670

1

PC5/SCL

AVR/DIG/ANA/I2C

I2C0_SDA_32670

2

PC4/SDA

AVR/DIG/ANA/I2C

3

AREF

POW

4

GND

POW

SPI0_SCK_32670

5

PB5/SCK

AVR/DIG/SPI

SPI0_MISO_32670

6

PB4/MISO

AVR/DIG/SPI

SPI0_MOSI_32670

7

PB3/MOSI

AVR/DIG/SPI/PWM

SPI0_SS0_32670

8

PB2/SS

AVR/DIG/SPI/PWM

SWDCLKB_32670

9

PB1

AVR/DIG/PWM

SWDIOB_32670

10

PB0

AVR/DIG

P7

SPI1_SS0_32670

1

PD7

AVR/DIG

UART0A_CTS_32670

2

PD6

AVR/DIG/PWM

UART1A_CTS_32670

3

PD5

AVR/DIG/PWM

UART0A_RTS_32670

4

PD4

AVR/DIG

UART1A_TX_32670

5

PD3

AVR/DIG/PWM/INT

UART1A_RX_32670

6

PD2

AVR/DIG/INT

UART0A_TX _32670(def)/P0_27_32670

7

PD1

AVR/DIG/SER

UART0A_RX _32670(def)/P0_26_32670

8

PD0

AVR/DIG/SER

P5

SPI1_MISO_32670

1

MISO

3V3_SSB3(def)/VCC_31334

2

VCC

SPI1_SCK_32670

3

SCK

SPI1_MOSI_32670

4

MOSI

RSTN_32670

5

RESET

6

GND

https://media.githubusercontent.com/media/plescaevelyn/adi-documentation/applied_sys_ctrl_ws/docs/solutions/reference-designs/ad-max32lrwise-sl/max32670-lr-ardz/max32670_arduino_connectors_pin_map.png
PMOD Connector Pin Map

SPI PMOD

Net Name

Pin Number

Pin Name

SPI0_SS0_32670(def)/SPI1_SS0_32670

1

SS

SPI0_MOSI_32670

2

MOSI

SPI0_MISO_32670

3

MISO

SPI0_SCK_32670

4

SCK

GND

5

GND

1V8_SSB3/3V3_SSB3(def)/VOUT_3130

6

VCC

P0_21_32670

7

INT

P0_26_32670

8

RST

SWDIOB_32670

9

IO7

P0_23_32670

10

IO8

GND

11

GND

1V8_SSB3/3V3_SSB3(def)/VOUT_3130

12

VCC

I2C PMOD

I2C1_SCL_32670/I2C2_SCL_32670

1

SCL

I2C1_SCL_32670/I2C2_SCL_32670

2

SCL

I2C1_SDA_32670/I2C2_SDA_32670

3

SDA

I2C1_SDA_32670/I2C2_SDA_32670

4

SDA

GND

5

GND

GND

6

GND

1V8_SSB3/3V3_SSB3(def)/VOUT_3130

7

VCC

1V8_SSB3/3V3_SSB3(def)/VOUT_3130

8

VCC

https://media.githubusercontent.com/media/plescaevelyn/adi-documentation/applied_sys_ctrl_ws/docs/solutions/reference-designs/ad-max32lrwise-sl/max32670-lr-ardz/max32670_pmod_connectors_pin_map.png
Wireless Connectivity Options

These are the wireless connectivity options available to use for Internet of Things (IoT) applications:

  1. On-board Chip Antenna (FL1)

  2. External Antenna connected through SMA connector (J3)

  3. GNSS Antenna SMA connector (J2)

  4. Wi-Fi Antenna SMA connector (J1)

https://media.githubusercontent.com/media/plescaevelyn/adi-documentation/applied_sys_ctrl_ws/docs/solutions/reference-designs/ad-max32lrwise-sl/max32670-lr-ardz/max32670-lr-ardz_antenna.png

These options can be configured by populating C67 with 39 pF for the external antenna or R159 with 0 Ω for on-board RF chip antenna with the center frequency tuned at 915 MHz.

https://media.githubusercontent.com/media/plescaevelyn/adi-documentation/applied_sys_ctrl_ws/docs/solutions/reference-designs/ad-max32lrwise-sl/max32670-lr-ardz/max32670-lr-ardz_wireless_antenna.png
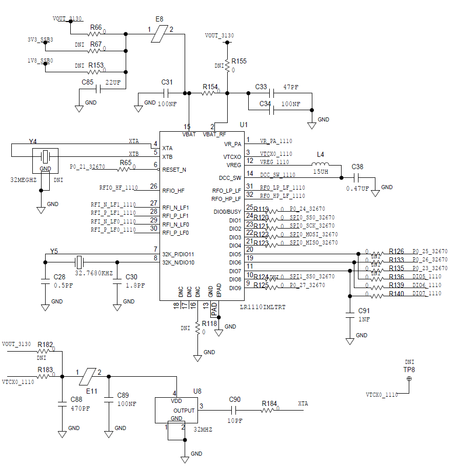
Long Range Radio Connectivity Chipset

The MAX32670-LR-ARDZ utilizes the LR1110 long range radio connectivity chipset from Semtech. This chipset comes complete with the full low-power, wide area networking protocol built on top of the LoRa radio modulation technique.

https://media.githubusercontent.com/media/plescaevelyn/adi-documentation/applied_sys_ctrl_ws/docs/solutions/reference-designs/ad-max32lrwise-sl/max32670-lr-ardz/semtech_chipset.png

The MAX32670 communicates to the LR1110 using the SPI bus, so the users will need to send LoRa commands and data over SPI bus. Library functions calls have been specifically designed to be used with the MAX32670 and LR1110 using SPI bus.

The pins that connect the MAX32670 and the LR1110 are as follows:

Connected to

Net Name

Pin

I/O Name

Function

P0_21_32670

6

NRESET

NRESET

P0_27_32670

9

DIO9

IRQ

SPI1_SS0_32670

10

DIO8

RFSW3

P0_23_32670

DIO7_1110

11

DIO7

RFSW2

P0_26_32670

DIO6_1110

19

DIO6

RFSW1

P0_25_32670

DIO5_1110

20

DIO5

RFSW0

SPI0_MISO_32670

21

DIO4

SPI MISO

SPI0_MOSI_32670

22

DIO3

SPI MOSI

SPI0_SCK_32670

23

DIO2

SPI SCK

SPI0_SS0_32670

24

DIO1

SPI NSS

P0_24_32670

25

DIO0/ BUSY

BUSY

https://media.githubusercontent.com/media/plescaevelyn/adi-documentation/applied_sys_ctrl_ws/docs/solutions/reference-designs/ad-max32lrwise-sl/max32670-lr-ardz/lr1110_pins.png
Input Power Source Options

There are two (2) ways of powering the eval board, and a user may use any combination of power sources.

  1. Terminal Block - when an external supply is connected to the Terminal block connector P11.

  2. Battery Powered - when batteries are connected to BT1 connector on the back of the board.

https://media.githubusercontent.com/media/plescaevelyn/adi-documentation/applied_sys_ctrl_ws/docs/solutions/reference-designs/ad-max32lrwise-sl/max32670-lr-ardz/power_source_options.png

Each of the different power modes, provides a different level of control and flexibility. You can find a matrix table of the different power modes and their general function here:

Power Source

Voltage Rails Provided

Peripherals Powered

Function

Terminal Block (P11)

3 V to 6 V

  • MAX32670

  • SPI and I2C PMODs

  • ESP32 connectors

  • Arduino connectors

  • LR1110 chip

able to supply ALL voltages any peripheral might need

Battery Power (BT1)

3 V and 6 V

  • MAX32670

  • SPI and I2C PMODs

  • ESP32 connectors

  • Arduino connectors

  • LR1110 chip

able to supply ALL voltages any peripheral might need

Reset Button
https://media.githubusercontent.com/media/plescaevelyn/adi-documentation/applied_sys_ctrl_ws/docs/solutions/reference-designs/ad-max32lrwise-sl/max32670-lr-ardz/max32670-lr-ardz_reset.png

Button

Function

S1

provides a hardware RESET to MAX32670 microcontroller.

LED Indicators

The base board has five LEDs: DS1, DS2, DS3, DS4, and DS5.

https://media.githubusercontent.com/media/plescaevelyn/adi-documentation/applied_sys_ctrl_ws/docs/solutions/reference-designs/ad-max32lrwise-sl/max32670-lr-ardz/max32670-lr-ardz_led_indicator.png

Button

Function

DS1

used as a LED indicator to one of the GPIOs of the MAX32670, P0.28.

DS2

used as a LED indicator to one of the GPIOs of the MAX32670, P0.29.

DS3

used as a LED indicator for the voltage output from the power supply.

DS4

used as a LED indicator for the voltage output from the MAX31334.

DS5

used as a LED indicator for the 3.3 V voltage output from the MAX3130.

Programming Connectors

This board uses an SWD interface and the MAX32625PICO board for programming the on-board MCUs. See the MAX32625PICO page for more details.

  • P1 - SWD interface used to program the MAX32670

https://media.githubusercontent.com/media/plescaevelyn/adi-documentation/applied_sys_ctrl_ws/docs/solutions/reference-designs/ad-max32lrwise-sl/max32670-lr-ardz/max32670-lr-ardz_swd_connector.png

Connected to

Pin Number

1V8_SSB0/3V3_SSB3(def)

1

SWDIO_32670

2

GND

3

SWDCLK_32670

4

GND

5

UART0A_TX_32670

6

7

UART0A_RX_32670

8

9

RSTN_32670

10

https://media.githubusercontent.com/media/plescaevelyn/adi-documentation/applied_sys_ctrl_ws/docs/solutions/reference-designs/ad-max32lrwise-sl/max32670-lr-ardz/max32670_swd_connectors_pin_map.png

The connector used are based off the 10-pin Arm Cortex standard pinout (0.05” pin spacing). That pinout is common to both JTAG and SWD debug modes and is depicted in the following image.

https://media.githubusercontent.com/media/plescaevelyn/adi-documentation/applied_sys_ctrl_ws/docs/solutions/reference-designs/ad-max32lrwise-sl/max32670-lr-ardz/jtag_swd_10_connector.png

The debugger board will need to be plugged in via the USB port in order to program any board.

In order to program the MAX32670 node board, the board must be powered by (1) CR123A battery or by an external power supply through P11. Otherwise, there will be no connection between the two boards. </WRAP>

System Setup

PHASE 1: Hardware Setup

Note that this setup only applies for MAX32670-LR-ARDZ Base Board. Users may use a different base board or microcontroller, however the firmware built for this demo application cannot be used as this is specifically designed for the MAX32670-LR-ARDZ.

Equipment Needed
  • One (1) MAX32670-LR-ARDZ Base Board

  • One (1) EV-CATTLETAG-ARDZ Sensor Node

  • One (1) MAX32625PICO Rapid Development Platform with 10-pin ribbon cable with firmware image: MAX32625PICO Firmware Image for MAX32670

  • One (1) CR123A Battery or any equivalent external DC power supply (+3V to +4.7V) Note that this is not included in the kit

  • One (1) Micro USB to USB cable

  • Host PC (Windows 10 or later)

https://media.githubusercontent.com/media/plescaevelyn/adi-documentation/applied_sys_ctrl_ws/docs/solutions/reference-designs/ad-max32lrwise-sl/max32670-lr-ardz/hardware_setup.png
  1. Insert one CR123A battery (3V to 4.7V) into the battery holder (BT1 connector) of the MAX32670-LR-ARDZ Base Board.

    Make sure to check for the battery polarity in the BT1 connector, refer to the figure below. The DS3 LED will light up indicating that you have inserted the battery correctly and that power is provided in the base board.

    https://media.githubusercontent.com/media/plescaevelyn/adi-documentation/applied_sys_ctrl_ws/docs/solutions/reference-designs/ad-max32lrwise-sl/max32670-lr-ardz/max32670-lr-ardz_with_battery.png
  2. Connect the EV-CATTLETAG-ARDZ Sensor Node to the MAX32670-LR-ARDZ Base Board by aligning the corresponding Arduino headers on each board.

  3. Connect the MAX32625PICO programming adapter to the MAX32670-LR-ARDZ Base Board through the 10-pin ribbon cable.

    Make sure that the MAX32625PICO programming adapter has been flashed with the correct image before connecting it to the MAX32670-LR-ARDZ Base Board. If you do not know how to load the image, click on the instructions below:

How to flash the firmware image in the MAX32625PICO
  1. Download the firmware image: MAX32625PICO Firmware Image for MAX32670

  2. Do not connect the MAX32625PICO to the MAX32670-LR-ARDZ Base Board yet.

  3. Connect the MAX32625PICO to the Host PC using the micro USB to USB cable.

  4. Press the button on the MAX32625PICO. (Do not release the button until the MAINTENANCE drive is mounted).

  5. Release the button once the MAINTENANCE drive is mounted.

  6. Drag and drop (to the MAINTENANCE drive) the firmware image.

  7. After a few seconds, the MAINTENANCE drive will disappear and be replaced by a drive named DAPLINK. This indicates that the process is complete, and the MAX32625PICO can now be used to flash the firmware of the MAX32670-LR-ARDZ Base Board.

  8. Connect the MAX32625PICO programming adapter to the Host PC using the micro USB to USB cable.

    https://media.githubusercontent.com/media/plescaevelyn/adi-documentation/applied_sys_ctrl_ws/docs/solutions/reference-designs/ad-max32lrwise-sl/max32670-lr-ardz/max32670-lr-ardz_to_maxpico.png

Once you have completed this setup, proceed to PHASE 2 found in ADI Long Range Wireless Radio Software UserGuide.

Resources

Design and Integration Files

Download

MAX32670-LR Design Support Package Rev. C

  • Schematic

  • Bill of Materials

  • Layout

  • Allegro Project

Help and Support

For questions and more information about this product, connect with us through the Analog Devices Engineer Zone.