ADRV9371x

https://media.githubusercontent.com/media/plescaevelyn/adi-documentation/intro_to_electronics_ws_update/docs/solutions/reference-designs/adrv9371x/images/ad9371-bc_196-adi_m.png

The ADRV9371-W/PRBZ, ADRV9371-N/PCBZ, ADRV9375-W/PRBZ, and ADRV9375-N/PCBZ are FMC radio cards for the AD9371 and AD9375, highly integrated RF Transceivers™. The ADRV9375-N/PCBZ has the same matching network as the ADRV9371-N/PRBZ. The ADRV9375-W/PCBZ has the same matching network as the ADRV9371-W/PRBZ. While the complete chip level design package can be found on the ADI website, information on the card and how to use it, the design package that surrounds it, and the software which can make it work can be found here.

https://media.githubusercontent.com/media/plescaevelyn/adi-documentation/intro_to_electronics_ws_update/docs/solutions/reference-designs/adrv9371x/images/adrv9371-n_pcbz_side.jpg

Recommendations

People who follow the flow that is outlined, have a much better experience with things. However, like many things, documentation is never as complete as it should be. If you have any questions, check the Help and Support section at the bottom of the page.

To better understand the AD9371 / AD9375, we recommend to use the EVAL-ADRV9371 / EVAL-ADRV9375 evaluation boards.

Table of Contents

  1. Use the evaluation board to better understand the AD9371/AD9375

    1. Prerequisites

    2. Quick Start Guides:

      1. On ZCU102

      2. On KCU105

      3. On ZC706

      4. On Arria 10 SoC

      5. On Arria 10 GX

    3. User Guide

    4. Linux Applications

      1. IIO Oscilloscope

        1. AD9371/AD9375 IIO Oscilloscope

        2. AD9371/AD9375 Plugin Description

        3. AD9371/AD9375 Advanced Plugin

      2. FRU EEPROM Utility

    5. Push custom data into/out of the AD9371/AD9375

      1. AD9371 Basic IQ Datafiles

      2. Transceiver Toolbox

      3. PyADI-IIO

  2. Design with the AD9371/AD9375

    1. Understanding the AD9371/AD9375

      1. AD9371 Product page

      2. AD9375 Product page

      3. Full Datasheet and chip design package

      4. MATLAB Filter Wizard / Profile Generator for AD9371

    2. Hardware in the Loop / How to design your own custom Baseband

      1. GNU Radio

      2. Transceiver Toolbox

    3. Design a custom AD9371/AD9375 based platform

      1. Linux software

        1. About the device driver:

          1. AD9371/AD9375 Linux Device Driver

          2. JESD204B Transmit Linux Driver

          3. JESD204B Receive Linux Driver

          4. JESD204B/C AXI_ADXCVR Highspeed Transceivers Linux Driver

          5. AXI ADC HDL Linux Driver

          6. AXI DAC HDL Linux Driver

        2. About the device tree:

          1. Customizing the devicetree on the target

        3. About the JEDS204 utilities:

          1. JESD204 (FSM) interface Linux Kernel framework

          2. JESD204B Status Utility

          3. JESD204 Eye Scan

          4. JESD204 Interface Framework

      2. Changing the VCXO frequency and updating the default RF Transceiver Profile

      3. ADRV9371x HDL reference design which you must use in your FPGA.

      4. Additional Documentation about SDR Signal Chains - The math behind the RF

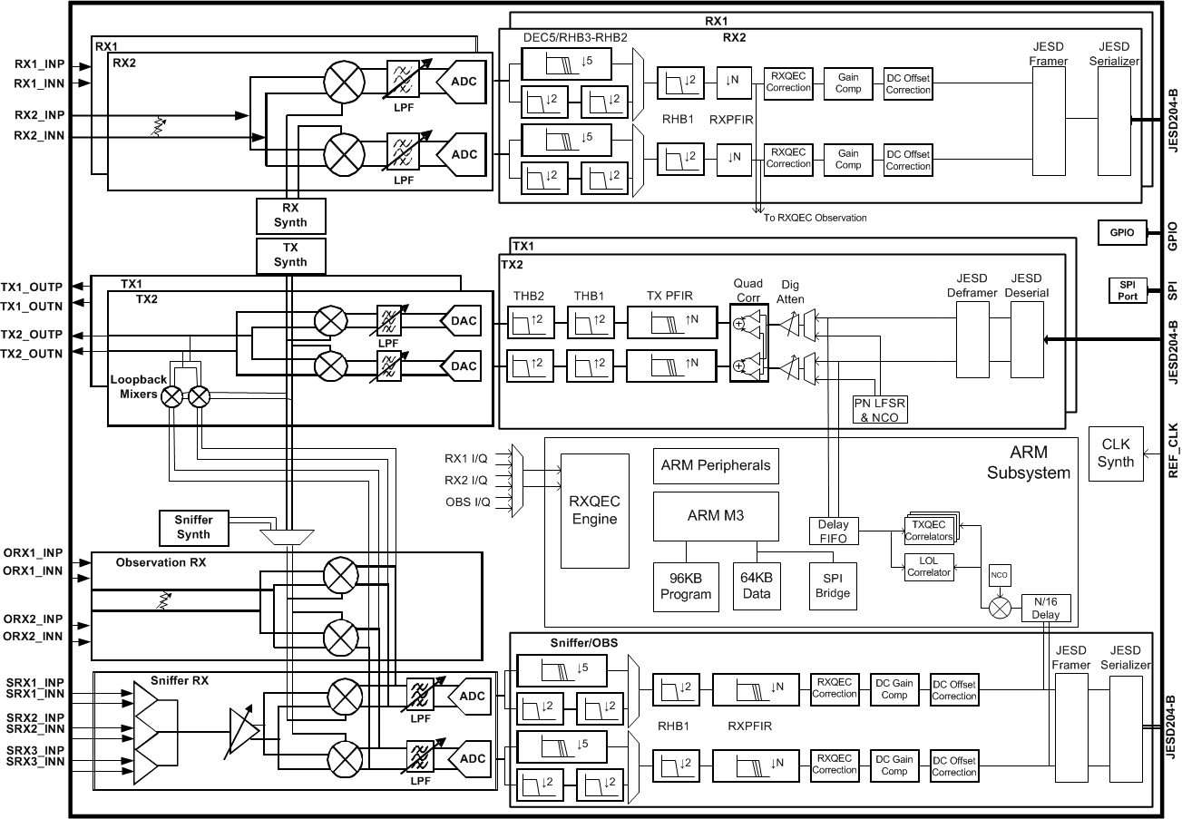
Block Diagram

https://media.githubusercontent.com/media/plescaevelyn/adi-documentation/intro_to_electronics_ws_update/docs/solutions/reference-designs/adrv9371x/images/mykonos_block_diagram_v2.png

Additional Information

ADI Articles

Four Quick Steps to Production: Using Model-Based Design for Software-Defined Radio

About JESD standard:

Mathworks Webinars

Videos

Software Defined Radio using the Linux IIO Framework

Help and Support

For additional questions or support, please visit the Engineering Zone forum.